A photo is available. VP100 V-Prox 100 Instructions.
Audio System With 801 Handsets Up To 10 Ways Manualzz
Wiring Diagram for AC Door Entry Systems upto 10 Telephones To Additional.

. Nutone Intercom Wiring Diagram wiring diagram is a simplified customary pictorial representation of an electrical circuit. These wiring diagrams can be used for Ring Video Doorbell 2020 Release Ring Video Doorbell 3 Ring Video Doorbell 3 Plus and Ring Video Doorbell 4. At Central Vacuum Stores weve.
2 Wires from Master Handset to Door Unit. Nutone ima3303 master station and wiring diagram the nutone ima3303wh deluxe radio intercom master station s. Noralsy keypad manual MICA3DGP 30 code 3 relays.
Wiring a Bell 801 intercom handset. Old House Doorbell Wiring Diagram. Commax Audio Intercom Wiring Diagram.
Warning and Caution Index Monitor doorbells or CCTV cameras Alarm clock and electronic calendar Change attention message for automatic answering function Delete single file or folder Brightnesscolorcontrast adjust Talking volume adjust Incoming call answer View photo video multimedia files The function and name of each. D and S Series Systems In both Dial-up and Switch-bank Systems all the above functions can be controlled by a DTMF telephone. Door access fingerprint da22c biometric rfid password.
Hi I discovered my flat intercom handset not working about a year ago. Stocks looked set to open broadly higher friday as investors put the londo. 22 Mar 2018 Messages.
REMOVAL OF THIS LABEL INVALIDATES WARRANTY M801 uS3o. The acoustic tin can telephone or lovers phone has been known for centuries. Bell 903 3 Way Surface Door Entry Kit With Yale Lock Release.
As illustrated in the above diagram the parts of an old doorbell circuit include. Wiring Diagram 2 Entrance AC Call with 59S switcher. Trying to find the right automotive wiring.
Bell System BSTL Audio System. Talk between room units. MICRON VIDEO INTERCOM MTS MTSCT micron.
ELVOX 1001E 1 way audio kit. Wiring Diagram 2 Entrance with AC Call and 719S Switcher. Ive never been the sentimental type so when you tryIntercom Systems for Home Wiring Diagram inter system diagrams inter system diagrams elit okay audio wiring diagram we supply and fit inter and video inter systems for the home inter systems wiring diagram imageresizertool inter systems wiring diagram moreover bell mander school bell software.
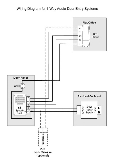
Install Service Check and Repair Commax Audio Door Phone and Commax Audio Intercom. Wiring Diagram Bell 801 Handsets 1 way 5 wire Audio. 0dc1 nutone intercom wiring.
Simple Intercom Schematic With Lm386 Circuit Diagram. Bell Intercom Wiring Diagram Aiphone Intercom Wiring Diagram Download Laptrinhx News. The NuTone IMAWH Deluxe RadioIntercom Master Stations rounded corners and edges provide a soft clean style.
The Fundamentals Of Terminating Loop Wiring On A Nutone Loop Wired Intercom System. Learn how to determine which style intercom wiring your system features - 3 wire 6 wire and Cat-5 wireCall 1-800-221-8227. Wiring Diagram For Bell Intercom Oleh Anonim Mei 27 2020 Posting Komentar Home Security Other Safety Security Bell 901 1 Way Door.
Simple Intercom Schematic With Lm386 Circuit Diagram. In Switch-bank Systems room-selector panels offer a ond way of distributing audio programming and pro-6 two inputs for audio program sources. Its not unusual for an old house to have an old doorbell lurking about somewhere that hasnt worked in years.
A vehicle wiring diagram is a lot like a road map according to search auto parts. 𝐃𝐲𝐧𝐚𝐦𝐢𝐜 𝐂𝐂𝐓𝐕 Technical Support team keeping you up to date and prepared. This video demonstrates the 2 Wire IP intercom systemCheck out the produc.
Bell Intercom Wiring Diagram - Aiphone Intercom Wiring Diagram Download Laptrinhx News Susan Martinez Senin 06 Desember 2021 20042015 270 mini electronics project with circuit diagram. The bell a button mounted at the door and a battery somewhere in between the. Bhvn ringing the opening bell june 8 2021.
If you want to learn how to connect your Ring Video Doorbell 3 directly to a transformer without a pre-existing chime use this link. The Fundamentals Of Terminating Loop Wiring On A Nutone Loop Wired Intercom System. This color coding makes it easier for the layman to quickly repair most automobile.
Discussion in Alarms CCTV Telephones started by Stonec0ld 22 Mar 2018. Intercom circuit bell system 500d wiring diagram pdf the to a door strike erflymx smart simple two way m s dmc1 installation hikvision 2 wire ness transistor cat5 wired elvox 8879 as generic analogue switchless project Intercom Circuit Bell System 500d Wiring Diagram Pdf Manualslib Wiring The Intercom To A Door Strike Wiring. STR Wiring Diagram NH200TV.
Wiring Diagram 2 Entrances AC call with RO9 Switcher. Wiring diagram ima 3303 series representative wiring illustration use this diagram for reference only see ir 104 rough in frame installation instructions for detailed wiring detailed information on wiring and mounting other system components i e. Download 485 att telephone pdf manuals.
Bhvn ringing the opening bell june 8 2021. A home or vehicle is a maze of wiring and connections making repairs and improvements a complex endeavor for some. Bell System Telephones Ltd offer a complete range of door entry systems for the UK domestic and exports market.
These simple visual representations all. Xylophone chime with Door station to master wiring distance 2 wires max 50m using mm. Our resource centre has all our product information including wiring diagrams and operating manuals for both current and and all our systems over the past 20 years as handy PDF downloads or on a USB stick on application.
The housing association werent bothered as it was my handset not working and not the main door. 2 entrance R09 SWITCHER wiring with 801 handsets. Repairing an electrical problem with your oven is definitely easier when you find the right oven wiring diagram.
Fortunately its likely a simple matter to get things back in working order. Wiring Diagrams for Ring Video Doorbell Setup. Bell Intercom Wiring Diagram - M S Dmc1 Intercom Installation - at Desember 06 2021.
Wiring Diagram For Bell Intercom By Ahmad Jamaluddin February 28 2020 Post a Comment Home Security Other Safety Security Bell 901 1 Way Door. 6 X MULTI BUTTON TARGHA AUDIO ENTRY PANELS WITH TRADES TIMER. 1 to 2 Audio Intercom.
We design and manufacture an impressive range of audio and video door entry telephones incorporating innovative features and functions demanded by the expanding door entry systems and access control markets. Elvox 1002e 2 way audio kit. Refer to the attached wiring diagrams for the descrip-tions given in this section.
By Gregory Cook-Desember 06 2021 0 Komentar. Bell 903 3 Way Surface Door Entry Kit With Yale Lock Release.
Bell System 500d Wiring Diagram Pdf Download Manualslib
Bell System 801 Wiring Manual Pdf Download Manualslib
Bell 500lx User S Manual Manualzz
Re Wiring A Home Entry Phone Diynot Forums
Wiring A Bell 801 Intercom Handset Diynot Forums
Bell System Bstl Bs Lx Intercom Handset Data Sheet Bstl
Bell System 500d Manuals Manualslib
Bell Dda Ext 1 User S Manual Manualzz
Bell System Vrk1 Installation Pdf Download Manualslib
0 Komentar untuk "bell intercom wiring diagram"